
گسگت رینگ جوینت (RTJ)
ارتباط با تیم گسکت:
ساختار محصول
گسکت های رینگ جوینت آب بندهایی فلزی برای کاربرد در دما و فشار بالا هستند که برای فلنج های با شیار حلقه ای مناسب می باشند. این نوع واشرها در صنایع نفت، گاز، پتروشیمی و ولوهای فشار بالا مورد استفاده قرار می گیرند. گسکت های رینگ جوینت برای آب بندی با تماس خطی و یا سطحی با زاویه بین فلنج مورد نظر و گسکت طراحی شده اند. از طریق اعمال فشار بر سطح آب بندی بوسیله نیروی پیچ ، فلز نرم تر (گسکت) به ساختار میکرو ذره ای متریال سخت تر (فلنج) نفوذ می کند و آب بندی بسیار کارآمد و مستحکمی را ایجاد می کند.
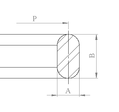
Products: R (Oval)


سطح تماس در نوع بیضی شکل (Oval) به صورت خطی بوده و سبب آب بندی قابل اطمینانی می گردد. این گسکت ها براساس استانداردهایAPI 6A یا ASME B16.20 طراحی شده اند و برای فلنج های بر طبق استاندارد های ASME/ANSI B16.5 مناسب هستند.
جنس مواد
ابعاد:
- 1استاندارد ASME B16.20
- 2استاندارد API 6A
- 3مطابق با درخواست مشتری
| Standards for Ring Joint Gasket used with flanges | ||
|---|---|---|
| Flange Standards | Ring Joints Gasket standard | Ring Joints Gasket style |
| ASME B 16.5 / ASME B 16.47 | ASME B 16.20 / API 6A | R |
| API 6B | ASME B 16.20 / API 6A | RX |
| API 6BX | API 6A | BX |
:Ring joint gasket material - Hardness Chart
| 36" | 34" | 32" | 30" | 28" | 26" | 24" | 22" | 20" | 18" | 16" | 14" | 12" | 10" | 8" | 6" | 5" | 4" | 3-1/2" | 3" | 2-1/2" | 2" | 1-1/2" | 1-1/4" | 1" | 3/4" | 1/2" | Nominal Pipe | |||
|---|---|---|---|---|---|---|---|---|---|---|---|---|---|---|---|---|---|---|---|---|---|---|---|---|---|---|---|---|---|---|
| - | - | - | - | - | - | R-76 | R-80 | R-72 | R-68 | R-64 | R-59 | R-56 | R-52 | R-48 | R-43 | R-40 | R-36 | R-33 | R-29 | R-25 | R-22 | R-19 | R-17 | R-15 | - | - | 150 | Pressure Rating in Ibs | ASME | Ring Number at Pressure Class Rating |
| R-98 | R-97 | R-96 | R-95 | R-94 | R-93 | R-77 | R-81 | R-73 | R-69 | R-65 | R-61 | R-57 | R-53 | R-49 | R-45 | R-41 | R-37 | R-34 | R-31 | R-26 | R-23 | R-20 | R-18 | R-16 | R-13 | R-11 | 300/600 | |||
| R-105 | R-102 | R-103 | R-102 | R-101 | R-100 | R-78 | - | R-74 | R-70 | R-66 | R-62 | R-57 | R-53 | R-49 | R-45 | R-41 | R-37 | - | R-31 | R-27 | R-24 | R-20 | R-18 | R-16 | R-14 | R-12 | 900 | |||
| - | - | - | - | - | - | R-79 | - | R-75 | R-71 | R-67 | R-63 | R-58 | R-54 | R-50 | R-46 | R-44 | R-39 | - | R-35 | R-27 | R-24 | R-20 | R-18 | R-16 | R-14 | R-12 | 1500 | |||
| R-105 | R-104 | R-103 | R-102 | R-101 | - | - | - | - | - | - | - | R-60 | R-55 | R-51 | R-47 | R-42 | R-38 | - | R-32 | R-28 | R-26 | R-23 | R-21 | R-18 | R-16 | R-13 | 2500 | |||
| - | - | - | - | - | - | - | - | R-73 | R-69 | R-65 | R-61 | R-57 | R-53 | R-49 | R-45 | R-41 | R-37 | - | R-31 | R-26 | R-23 | R-20 | R-18 | R-16 | - | - | 2000/3000 | API-6B | ||
| - | - | - | - | - | - | - | - | - | - | - | - | - | R-54 | R-50 | R-46 | R-44 | R-39 | R-37 | R-35 | R-27 | R-24 | R-20 | R-18 | R-16 | - | - | 5000 | |||
| 20" | 18" | 16" | 14" | 12" | 10" | 8" | 6" | 5" | 4-1/16" | 4" | 3-1/2" | 3" | 2-9/16" | 2-1/2" | 2" | 1-13/16" | 1-1/2" | 1-3/8" | 1" | Nominal Pipe | ||
|---|---|---|---|---|---|---|---|---|---|---|---|---|---|---|---|---|---|---|---|---|---|---|
| RX-73 | RX-69 | RX-65 | - | RX-57 | RX-53 | RX-49 | RX-45 | RX-41 | - | RX-37 | - | RX-31 | - | RX-26 | RX-23 | - | RX-20 | - | - | 2000 lbs | API-6B | Ring Number at |
| RX-82 | RX-73 | RX-69 | - | RX-57 | RX-53 | RX-49 | RX-45 | RX-41 | - | RX-37 | - | RX-31 | - | RX-27 | RX-24 | - | RX-20 | - | - | 3000 lbs | ||
| - | - | - | RX-63 | - | RX-54 | RX-50 | RX-46 | RX-44 | RX-215 | RX-39 | - | RX-35 | RX-201 | RX-27 | RX-24 | RX-205 | RX-20 | RX-201 | - | 5000 lbs | ||
| 30" | 26-3/4" | 21-1/4" | 18-3/4" | 16-3/4" | 13-5/8" | 11–5/32" | 11" | 9" | 8-9/16" | 7-1/16" | 6-5/8" | 5-1/8" | 4-1/16" | 3-1/16" | 2-9/16" | 2-1/16" | 1-13/16" | 1-11/16" | Nominal Pipe | ||
|---|---|---|---|---|---|---|---|---|---|---|---|---|---|---|---|---|---|---|---|---|---|
| BX-303 | BX-167 | - | - | - | - | - | - | - | - | - | - | - | - | - | - | - | - | - | 2000 lbs | API-6BX | Ring Number at Pressure Class Rating |
| BX-303 | BX-168 | - | - | - | - | - | - | - | - | - | - | - | - | - | - | - | - | - | 3000 lbs | ||
| - | - | BX-165 | BX-163 | BX-161 BX-162 | BX-160 | - | - | - | - | - | - | - | - | - | - | - | - | 5000 lbs | |||
| - | - | BX-166 | BX-164 | BX-162 | BX-159 | BX-172 | BX-158 | BX-157 | BX-171 | BX-156 | BX-170 | BX-169 | BX-155 | BX-154 | BX-153 | BX-152 | BX-151 | BX-150 | 10000 lbs | ||
| - | - | - | BX-164 | BX-162 | BX-159 | BX-172 | BX-158 | BX-157 | BX-171 | BX-156 | BX-170 | - | BX-155 | BX-154 | BX-153 | BX-152 | BX-151 | BX-150 | 15000 lbs | ||
| - | - | - | - | - | BX-159 | - | BX-158 | BX-157 | - | BX-156 | - | - | BX-155 | BX-154 | BX-153 | BX-152 | BX-151 | - | 20000 lbs | ||
اطلاعات تکمیلی
:Type R Oval RTJ Dimensions to ASME B16.20
| Height (mm) | Width (mm) | Pitch Diameter (mm) | Class | Nominal Size | Ring Number |
|---|---|---|---|---|---|
| 11.2 | 6.4 | 34.1 | 300,600 | "1/2 | R-11 |
| 14.2 | 8.0 | 39.7 | 900,1500 | "1/2 | R-12 |
| 14.2 | 8.0 | 42.9 | 300,600 | "3/4 | R-13 |
| 14.2 | 8.0 | 42.9 | 2500 | "1/2 | R-13 |
| 14.2 | 8.0 | 44.5 | 900,1500 | "3/4 | R-14 |
| 14.2 | 8.0 | 47.6 | 150 | "1 | R-15 |
| 14.2 | 8.0 | 50.8 | 300,600,900,1500 | "1 | R-16 |
| 14.2 | 8.0 | 50.8 | 2500 | "3/4 | R-16 |
| 14.2 | 8.0 | 57.2 | 150 | "1.1/4 | R-17 |
| 14.2 | 8.0 | 60.3 | 300,600,900,1500 | "1.1/4 | R-18 |
| 14.2 | 8.0 | 60.3 | 2500 | "1 | R-18 |
| 14.2 | 8.0 | 65.1 | 150 | "1.1/2 | R-19 |
| 14.2 | 8.0 | 68.3 | 300,600,900,1500 | "1.1/2 | R-20 |
| 17.5 | 11.1 | 72.2 | 2500 | "1.1/4 | R-21 |
| 14.2 | 8.0 | 82.6 | 150 | "2 | R-22 |
| 17.5 | 11.1 | 82.6 | 300,600 | "2 | R-23 |
| 17.5 | 11.1 | 82.6 | 2500 | "1.1/2 | R-23 |
| 17.5 | 11.1 | 95.3 | 900,1500 | "2 | R-24 |
| 14.2 | 8.0 | 101.6 | 150 | "2.1/2 | R-25 |
| 17.5 | 11.1 | 101.6 | 300,600 | "2.1/2 | R-26 |
| 17.5 | 11.1 | 101.6 | 2500 | "2 | R-26 |
| 17.5 | 11.1 | 108.0 | 900,1500 | "2.1/2 | R-27 |
| 19.1 | 12.7 | 111.1 | 2500 | "2.1/2 | R-28 |
| 14.2 | 8.0 | 114.3 | 150 | "3 | R-29 |
| 17.5 | 11.1 | 117.5 | 300 | (1)"3 | R-30 |
| 17.5 | 11.1 | 123.8 | 300,600,900 | "3 | R-31 |
| 19.1 | 12.7 | 127.0 | 2500 | "3 | R-32 |
| 14.2 | 8.0 | 131.8 | 150 | "3.1/2 | R-33 |
| 17.5 | 11.1 | 131.8 | 300,600 | "3.1/2 | R-34 |
| 17.5 | 11.1 | 136.5 | 1500 | "3 | R-35 |
| 14.2 | 8.0 | 149.2 | 150 | "4 | R-36 |
| 17.5 | 11.1 | 149.2 | 300,600,900 | "4 | R-37 |
| 22.4 | 15.9 | 157.2 | 2500 | "4 | R-38 |
| 17.5 | 11.1 | 161.9 | 1500 | "4 | R-39 |
| 14.2 | 8.0 | 171.5 | 150 | "5 | R-40 |
| 17.5 | 11.1 | 181.0 | 300,600,900 | "5 | R-41 |
| 25.4 | 19.1 | 190.5 | 2500 | "5 | R-42 |
| 14.2 | 8.0 | 193.7 | 150 | "6 | R-43 |
| 17.5 | 11.1 | 193.7 | 1500 | "5 | R-44 |
| 17.5 | 11.1 | 211.2 | 300,600,900 | "6 | R-45 |
| Height (mm) | Width (mm) | Pitch Diameter (mm) | Class | Nominal Size | Ring Number |
|---|---|---|---|---|---|
| 19.1 | 12.7 | 211.2 | 1500 | "6 | R-46 |
| 25.4 | 19.1 | 228.6 | 2500 | "6 | R-47 |
| 14.2 | 8.0 | 247.7 | 150 | "8 | R-48 |
| 17.5 | 11.1 | 269.9 | 300,600,900 | "8 | R-49 |
| 22.4 | 15.9 | 269.9 | 1500 | "8 | R-50 |
| 28.7 | 22.2 | 279.4 | 2500 | "8 | R-51 |
| 14.2 | 8.0 | 304.8 | 150 | "10 | R-52 |
| 17.5 | 11.1 | 323.9 | 300,600,900 | "10 | R-53 |
| 22.4 | 15.9 | 323.9 | 1500 | "10 | R-54 |
| 36.6 | 28.6 | 342.9 | 2500 | "10 | R-55 |
| 14.2 | 8.0 | 381.0 | 150 | "12 | R-56 |
| 17.5 | 11.1 | 381.0 | 300,600,900 | "12 | R-57 |
| 28.7 | 22.2 | 381.0 | 1500 | "12 | R-58 |
| 14.2 | 8.0 | 396.9 | 150 | "14 | R-59 |
| 39.6 | 31.8 | 406.4 | 2500 | "12 | R-60 |
| 17.5 | 11.1 | 419.1 | 300,600 | "14 | R-61 |
| 22.4 | 15.9 | 419.1 | 900 | "14 | R-62 |
| 33.3 | 25.4 | 419.1 | 1500 | "14 | R-63 |
| 14.2 | 8.0 | 454.0 | 150 | "16 | R-64 |
| 17.5 | 11.1 | 469.9 | 300,600 | "16 | R-65 |
| 22.4 | 15.9 | 469.9 | 900 | "16 | R-66 |
| 36.6 | 28.6 | 469.9 | 1500 | "16 | R-67 |
| 14.2 | 8.0 | 517.5 | 150 | "18 | R-68 |
| 17.5 | 11.1 | 533.4 | 300,600 | "18 | R-69 |
| 25.4 | 19.1 | 533.4 | 900 | "18 | R-70 |
| 36.6 | 28.6 | 533.4 | 1500 | "18 | R-71 |
| 14.2 | 8.0 | 558.8 | 150 | "20 | R-72 |
| 19.1 | 12.7 | 584.2 | 300,600 | "20 | R-73 |
| 25.4 | 19.1 | 584.2 | 900 | "20 | R-74 |
| 39.6 | 31.8 | 584.2 | 1500 | "20 | R-75 |
| 14.2 | 8.0 | 673.1 | 150 | "24 | R-76 |
| 22.4 | 15.9 | 692.2 | 300,600 | "24 | R-77 |
| 28.7 | 25.4 | 692.2 | 900 | "24 | R-78 |
| 44.5 | 34.9 | 692.2 | 1500 | "24 | R-79 |
| 17.5 | 11.1 | 228.6 | - | - | R-92 |
:Type R Octagonal RTJ Dimensions to ASME B16.20
| Radius (mm) | Width of Flat (mm) | Height (mm) | Width (mm) | Pitch Diameter (mm) | Class | Nominal Size | Ring Number |
|---|---|---|---|---|---|---|---|
| 1.5 | 4.3 | 9.7 | 6.4 | 34.1 | 300,600 | "1/2 | R-11 |
| 1.5 | 5.2 | 12.7 | 8.0 | 39.7 | 900,1500 | "1/2 | R-12 |
| 1.5 | 5.2 | 12.7 | 8.0 | 42.9 | 300,600 | "3/4 | R-13 |
| 1.5 | 5.2 | 12.7 | 8.0 | 42.9 | 2500 | "1/2 | R-13 |
| 1.5 | 5.2 | 12.7 | 8.0 | 44.5 | 900,1500 | "3/4 | R-14 |
| 1.5 | 5.2 | 12.7 | 8.0 | 47.6 | 150 | "1 | R-15 |
| 1.5 | 5.2 | 12.7 | 8.0 | 50.8 | 300,600,900,1500 | "1 | R-16 |
| 1.5 | 5.2 | 12.7 | 8.0 | 50.8 | 2500 | "3/4 | R-16 |
| 1.5 | 5.2 | 12.7 | 8.0 | 57.2 | 150 | "1.1/4 | R-17 |
| 1.5 | 5.2 | 12.7 | 8.0 | 60.3 | 300,600,900,1500 | "1.1/4 | R-18 |
| 1.5 | 5.2 | 12.7 | 8.0 | 60.3 | 2500 | "1 | R-18 |
| 1.5 | 5.2 | 12.7 | 8.0 | 65.1 | 150 | "1.1/2 | R-19 |
| 1.5 | 5.2 | 12.7 | 8.0 | 68.3 | 300,600,900,1500 | "1.1/2 | R-20 |
| 1.5 | 7.7 | 16.0 | 11.1 | 72.2 | 2500 | "1.1/4 | R-21 |
| 1.5 | 5.2 | 12.7 | 8.0 | 82.6 | 150 | "2 | R-22 |
| 1.5 | 7.7 | 16.0 | 11.1 | 82.6 | 300,600 | "2 | R-23 |
| 1.5 | 7.7 | 16.0 | 11.1 | 82.6 | 2500 | "1.1/2 | R-23 |
| 1.5 | 7.7 | 16.0 | 11.1 | 95.3 | 900,1500 | "2 | R-24 |
| 1.5 | 5.2 | 12.7 | 8.0 | 101.6 | 150 | "2.1/2 | R-25 |
| 1.5 | 7.7 | 16.0 | 11.1 | 101.6 | 300,600 | "2.1/2 | R-26 |
| 1.5 | 7.7 | 16.0 | 11.1 | 101.6 | 2500 | "2 | R-26 |
| 1.5 | 7.7 | 16.0 | 11.1 | 108.0 | 900,1500 | "2.1/2 | R-27 |
| 1.5 | 8.7 | 17.5 | 12.7 | 111.1 | 2500 | "2.1/2 | R-28 |
| 1.5 | 5.2 | 12.7 | 8.0 | 114.3 | 150 | "3 | R-29 |
| 1.5 | 7.7 | 16.0 | 11.1 | 117.5 | 300 | (1) "3 | R-30 |
| 1.5 | 7.7 | 16.0 | 11.1 | 123.8 | 300,600,900 | "3 | R-31 |
| 1.5 | 8.7 | 17.5 | 12.7 | 127.0 | 2500 | "3 | R-32 |
| 1.5 | 5.2 | 12.7 | 8.0 | 131.8 | 150 | "3.1/2 | R-33 |
| 1.5 | 7.7 | 16.0 | 11.1 | 131.8 | 300,600 | "3.1/2 | R-34 |
| 1.5 | 7.7 | 16.0 | 11.1 | 136.5 | 1500 | "3 | R-35 |
| 1.5 | 5.2 | 12.7 | 8.0 | 149.2 | 150 | "4 | R-36 |
| 1.5 | 7.7 | 16.0 | 11.1 | 149.2 | 300,600,900 | "4 | R-37 |
| 1.5 | 10.5 | 20.6 | 15.9 | 157.2 | 2500 | "4 | R-38 |
| 1.5 | 7.7 | 16.0 | 11.1 | 161.9 | 1500 | "4 | R-39 |
| 1.5 | 5.2 | 12.7 | 8.0 | 171.5 | 150 | "5 | R-40 |
| 1.5 | 7.7 | 16.0 | 11.1 | 181.0 | 300,600,900 | "5 | R-41 |
| 1.5 | 12.3 | 23.9 | 19.1 | 190.5 | 2500 | "5 | R-42 |
| 1.5 | 5.2 | 12.7 | 8.0 | 193.7 | 150 | "6 | R-43 |
| 1.5 | 7.7 | 16.0 | 11.1 | 193.7 | 1500 | "5 | R-44 |
| 1.5 | 7.7 | 16.0 | 11.1 | 211.2 | 300,600,900 | "6 | R-45 |
| Radius (mm) | Width of Flat (mm) | Height (mm) | Width (mm) | Pitch Diameter (mm) | Class | Nominal Size | Ring Number |
|---|---|---|---|---|---|---|---|
| 1.5 | 8.7 | 17.5 | 12.7 | 211.2 | 1500 | "6 | R-46 |
| 1.5 | 12.3 | 23.9 | 19.1 | 228.6 | 2500 | "6 | R-47 |
| 1.5 | 5.2 | 12.7 | 8.0 | 247.7 | 150 | "8 | R-48 |
| 1.5 | 7.7 | 16.0 | 11.1 | 269.9 | 300,600,900 | "8 | R-49 |
| 1.5 | 10.5 | 20.6 | 15.9 | 269.9 | 1500 | "8 | R-50 |
| 1.5 | 14.8 | 26.9 | 22.2 | 279.4 | 2500 | "8 | R-51 |
| 1.5 | 5.2 | 12.7 | 8.0 | 304.8 | 150 | "10 | R-52 |
| 1.5 | 7.7 | 16.0 | 11.1 | 323.9 | 300,600,900 | "10 | R-53 |
| 1.5 | 10.5 | 20.6 | 15.9 | 323.9 | 1500 | "10 | R-54 |
| 2.3 | 19.8 | 35.1 | 28.6 | 342.9 | 2500 | "10 | R-55 |
| 1.5 | 5.2 | 12.7 | 8.0 | 381.0 | 150 | "12 | R-56 |
| 1.5 | 7.7 | 16.0 | 11.1 | 381.0 | 300,600,900 | "12 | R-57 |
| 1.5 | 14.8 | 26.9 | 22.2 | 381.0 | 1500 | "12 | R-58 |
| 1.5 | 5.2 | 12.7 | 8.0 | 396.9 | 150 | "14 | R-59 |
| 2.3 | 22.3 | 38.1 | 31.8 | 406.4 | 2500 | "12 | R-60 |
| 1.5 | 7.7 | 16.0 | 11.1 | 419.1 | 300,600 | "14 | R-61 |
| 1.5 | 10.5 | 20.6 | 15.9 | 419.1 | 900 | "14 | R-62 |
| 2.3 | 17.3 | 31.8 | 25.4 | 419.1 | 1500 | "14 | R-63 |
| 1.5 | 5.2 | 12.7 | 8.0 | 454.0 | 150 | "16 | R-64 |
| 1.5 | 7.7 | 16.0 | 11.1 | 469.9 | 300,600 | "16 | R-65 |
| 1.5 | 10.5 | 20.6 | 15.9 | 469.9 | 900 | "16 | R-66 |
| 2.3 | 19.8 | 35.1 | 28.6 | 469.9 | 1500 | "16 | R-67 |
| 1.5 | 5.2 | 12.7 | 8.0 | 517.5 | 150 | "18 | R-68 |
| 1.5 | 7.7 | 16.0 | 11.1 | 533.4 | 300,600 | "18 | R-69 |
| 1.5 | 12.3 | 23.9 | 19.1 | 533.4 | 900 | "18 | R-70 |
| 2.3 | 19.8 | 35.1 | 28.6 | 533.4 | 1500 | "18 | R-71 |
| 1.5 | 5.2 | 12.7 | 8.0 | 558.8 | 150 | "20 | R-72 |
| 1.5 | 8.7 | 17.5 | 12.7 | 584.2 | 300,600 | "20 | R-73 |
| 1.5 | 12.3 | 23.9 | 19.1 | 584.2 | 900 | "20 | R-74 |
| 2.3 | 22.3 | 38.1 | 31.8 | 584.2 | 1500 | "20 | R-75 |
| 1.5 | 5.2 | 12.7 | 8.0 | 673.1 | 150 | "24 | R-76 |
| 1.5 | 10.5 | 20.6 | 15.9 | 692.2 | 300,600 | "24 | R-77 |
| 2.3 | 17.3 | 31.8 | 25.4 | 692.2 | 900 | "24 | R-78 |
| 2.3 | 24.8 | 41.4 | 34.9 | 692.2 | 1500 | "24 | R-79 |
| 1.5 | 5.2 | 12.7 | 8.0 | 616.0 | 150 | "22 | R-80 |
| 1.5 | 9.6 | 19.1 | 14.3 | 635.0 | 300,600 | "22 | R-81 |
| 1.5 | 7.7 | 16.0 | 11.1 | 57.2 | 10000 | "1 | R-82 |
| 1.5 | 7.7 | 16.0 | 11.1 | 63.5 | 10000 | "1.1/2 | R-84 |
| 1.5 | 8.7 | 17.5 | 12.7 | 79.4 | 10000 | "2 | R-85 |
| 1.5 | 10.5 | 20.6 | 15.9 | 90.5 | 10000 | "2.1/2 | R-86 |
| Radius (mm) | Width of Flat (mm) | Height (mm) | Width (mm) | Pitch Diameter (mm) | Class | Nominal Size | Ring Number |
|---|---|---|---|---|---|---|---|
| 1.5 | 10.5 | 20.6 | 15.9 | 100.0 | 10000 | "3 | R-87 |
| 1.5 | 12.3 | 23.9 | 19.1 | 123.8 | 10000 | "4 | R-88 |
| 1.5 | 12.3 | 23.9 | 19.1 | 114.3 | 10000 | "3.1/2 | R-89 |
| 1.5 | 14.8 | 26.9 | 22.2 | 155.6 | 10000 | "5 | R-90 |
| 1.5 | 22.3 | 38.1 | 31.8 | 260.4 | 10000 | "10 | R-91 |
| 1.5 | 7.7 | 16.0 | 11.1 | 228.6 | - | - | R-92 |
| 1.5 | 12.3 | 23.9 | 19.1 | 749.3 | 300,600 | "26 | R-93 |
| 1.5 | 12.3 | 23.9 | 19.1 | 800.1 | 300,600 | "28 | R-94 |
| 1.5 | 12.3 | 23.9 | 19.1 | 857.3 | 300,600 | "30 | R-95 |
| 1.5 | 14.8 | 26.9 | 22.2 | 914.4 | 300,600 | "32 | R-96 |
| 1.5 | 14.8 | 26.9 | 22.2 | 965.2 | 300,600 | "34 | R-97 |
| 1.5 | 14.8 | 26.9 | 22.2 | 1022.4 | 300,600 | "36 | R-98 |
| 1.5 | 7.7 | 16.0 | 11.1 | 235.0 | 2000,3000 | "8 | R-99 |
| 2.3 | 19.8 | 35.1 | 28.6 | 749.3 | 900 | "26 | R-100 |
| 2.3 | 22.3 | 38.1 | 31.8 | 800.1 | 900 | "28 | R-101 |
| 2.3 | 22.3 | 38.1 | 31.8 | 857.3 | 900 | "30 | R-102 |
| 2.3 | 22.3 | 38.1 | 31.8 | 914.4 | 900 | "32 | R-103 |
| 2.3 | 24.8 | 41.4 | 34.9 | 965.2 | 900 | "34 | R-104 |
| 2.3 | 24.8 | 41.4 | 34.9 | 1022.4 | 900 | "36 | R-105 |
:Type RX RTJ Dimensions to ASME B16.20
| Hole Size (mm) | Radius (mm) | Height of Ring (mm) | Height of outside bevel (mm) | Width of Flat (mm) | Width (mm) | Outside Diameter (mm) | Class | Nominal Size | Ring Number |
|---|---|---|---|---|---|---|---|---|---|
| - | 1.5 | 19.1 | 3.2 | 4.6 | 8.7 | 76.2 | 2000,3000,5000 | "1.1/2 | RX-20 |
| - | 1.5 | 25.4 | 4.2 | 6.5 | 11.9 | 93.3 | 2000 | "2 | RX-23 |
| - | 1.5 | 25.4 | 4.2 | 6.5 | 11.9 | 106.0 | 3000,5000 | "2 | RX-24 |
| - | 1.5 | 19.1 | 3.2 | 4.6 | 8.7 | 109.6 | 5000 | "3.1/8 | RX-25 |
| - | 1.5 | 25.4 | 4.2 | 6.5 | 11.9 | 111.9 | 2000 | "2.1/2 | RX-26 |
| - | 1.5 | 25.4 | 4.2 | 6.5 | 11.9 | 118.3 | 3000,5000 | "2.1/2 | RX-27 |
| - | 1.5 | 25.4 | 4.2 | 6.5 | 11.9 | 134.5 | 2000,3000 | "3 | RX-31 |
| - | 1.5 | 25.4 | 4.2 | 6.5 | 11.9 | 147.2 | 5000 | "3 | RX-35 |
| - | 1.5 | 25.4 | 4.2 | 6.5 | 11.9 | 159.9 | 2000,3000 | "4 | RX-37 |
| - | 1.5 | 25.4 | 4.2 | 6.5 | 11.9 | 172.6 | 5000 | "4 | RX-39 |
| - | 1.5 | 25.4 | 4.2 | 6.5 | 11.9 | 191.7 | 2000,3000 | "5 | RX-41 |
| - | 1.5 | 25.4 | 4.2 | 6.5 | 11.9 | 204.4 | 5000 | "5 | RX-44 |
| - | 1.5 | 25.4 | 4.2 | 6.5 | 11.9 | 221.8 | 2000,3000 | "6 | RX-45 |
| - | 1.5 | 28.6 | 4.8 | 6.7 | 13.5 | 222.3 | 5000 | "6 | RX-46 |
| - | 1.5 | 41.3 | 6.9 | 10.3 | 19.8 | 245.3 | 5000 | (1)"8 | RX-47 |
| - | 1.5 | 25.4 | 4.2 | 6.5 | 11.9 | 280.6 | 2000,3000 | "8 | RX-49 |
| - | 1.5 | 31.8 | 5.3 | 8.5 | 16.7 | 283.4 | 5000 | "8 | RX-50 |
| - | 1.5 | 25.4 | 4.2 | 6.5 | 11.9 | 334.6 | 2000,3000 | "10 | RX-53 |
| - | 1.5 | 31.8 | 5.3 | 8.5 | 16.7 | 337.3 | 5000 | "10 | RX-54 |
| - | 1.5 | 25.4 | 4.2 | 6.5 | 11.9 | 391.7 | 2000,3000 | "12 | RX-57 |
| - | 2.3 | 50.8 | 8.5 | 14.8 | 27.0 | 441.7 | 5000 | "14 | RX-63 |
| - | 1.5 | 25.4 | 4.2 | 6.5 | 11.9 | 480.6 | 2000 | "16 | RX-65 |
| - | 1.5 | 31.8 | 5.3 | 8.5 | 16.7 | 458.0 | 3000 | "16 | RX-66 |
| - | 1.5 | 25.4 | 4.2 | 6.5 | 11.9 | 544.1 | 2000 | "18 | RX-69 |
| - | 2.3 | 41.3 | 6.9 | 10.3 | 19.8 | 550.1 | 3000 | "18 | RX-70 |
| - | 1.5 | 31.8 | 5.3 | 6.7 | 13.5 | 596.1 | 2000 | "20 | RX-73 |
| - | 2.3 | 41.3 | 6.9 | 10.3 | 19.8 | 600.9 | 3000 | "20 | RX-74 |
| - | 1.5 | 25.4 | 4.2 | 6.5 | 11.9 | 245.7 | 2000,3000 | (1)"8 | RX-99 |
| - | 0.5 | 11.3 | 1.4 | 3.2 | 5.7 | 51.5 | 5000 | "1.3/8 | RX-201 |
| - | 0.5 | 11.1 | 1.8 | 3.0 | 5.6 | 62.3 | 5000 | "1.13/16 | RX-205 |
| - | 0.8 | 19.1 | 3.2 | 5.4 | 9.5 | 97.6 | 5000 | "2.9/16 | RX-210 |
| - | 1.5 | 25.4 | 4.2 | 5.3 | 11.9 | 140.9 | 5000 | "4.1/16 | RX-215 |
:Type BX RTJ Dimensions to ASME B16.20
| Hole Size (mm) | Width of Flat (mm) | Outside Diameter of Flat (mm) | Width of Ring (mm) | Height of Ring (mm) | Outside Diameter (mm) | Class | Nominal Size | Ring Number |
|---|---|---|---|---|---|---|---|---|
| 1.5 | 8.0 | 70.9 | 9.3 | 9.3 | 72.2 | 10000,15000 | "1.11/16 | BX-150 |
| 1.5 | 8.3 | 75.0 | 9.6 | 9.6 | 76.4 | 10000,15000,20000 | "1.13/16 | BX-151 |
| 1.5 | 8.8 | 83.2 | 10.2 | 10.2 | 84.7 | 10000,15000,20000 | "2.1/16 | BX-152 |
| 1.5 | 9.8 | 99.3 | 11.4 | 11.4 | 100.9 | 10000,15000,20000 | "2.9/16 | BX-153 |
| 1.5 | 10.6 | 115.1 | 12.4 | 12.4 | 116.8 | 10000,15000,20000 | "3.1/16 | BX-154 |
| 1.5 | 12.2 | 145.9 | 14.2 | 14.2 | 148.0 | 10000,15000,20000 | "4.1/16 | BX-155 |
| 3.0 | 16.0 | 235.3 | 18.6 | 18.6 | 237.9 | 10000,15000,20000 | "7.1/16 | BX-156 |
| 3.0 | 18.0 | 291.5 | 21.0 | 21.0 | 294.5 | 10000,15000,20000 | "9 | BX-157 |
| 3.0 | 19.9 | 348.8 | 23.1 | 23.1 | 352.0 | 10000,15000,20000 | "11 | BX-158 |
| 3.0 | 22.1 | 423.1 | 25.7 | 25.7 | 426.7 | 10000,20000 | "13.5/8 | BX-159 |
| 3.0 | 10.4 | 399.2 | 13.7 | 23.8 | 402.6 | 3000 | "13.5/8 | BX-160 |
| 3.0 | 12.2 | 487.5 | 16.2 | 28.1 | 491.4 | 5000 | "16.3/4 | BX-161 |
| 1.5 | 12.2 | 473.5 | 14.2 | 14.2 | 475.5 | 5000,10000,15000 | "16.3/4 | BX-162 |
| 3.0 | 13.1 | 551.9 | 17.4 | 30.1 | 556.2 | 5000 | "18.3/4 | BX-163 |
| 3.0 | 20.3 | 564.6 | 24.6 | 30.1 | 570.6 | 10000,15000 | "18.3/4 | BX-164 |
| 3.0 | 14.0 | 620.2 | 18.5 | 32.0 | 624.7 | 5000 | "21.1/4 | BX-165 |
| 3.0 | 21.6 | 635.5 | 26.1 | 32.0 | 640.0 | 10000 | "21.1/4 | BX-166 |
| 1.5 | 8.0 | 754.3 | 13.1 | 35.9 | 759.4 | 2000 | "26.3/4 | BX-167 |
| 1.5 | 11.0 | 760.2 | 16.1 | 35.9 | 765.3 | 3000 | "26.3/4 | BX-168 |
| 1.5 | 10.7 | 171.3 | 12.9 | 15.8 | 173.5 | 10000 | "5.1/8 | BX-169 |
| 1.5 | 12.2 | 216.0 | 14.2 | 14.2 | 218.0 | 10000,15000 | "6.5/8 | BX-170 |
| 1.5 | 12.2 | 265.4 | 14.2 | 14.2 | 267.4 | 10000,15000 | "8.9/16 | BX-171 |
| 1.5 | 12.2 | 331.1 | 14.2 | 14.2 | 333.1 | 10000,15000 | "11.5/32 | BX-172 |
| 1.5 | 11.6 | 847.4 | 17.0 | 37.9 | 852.8 | 2000,3000 | "30 | BX-303 |